
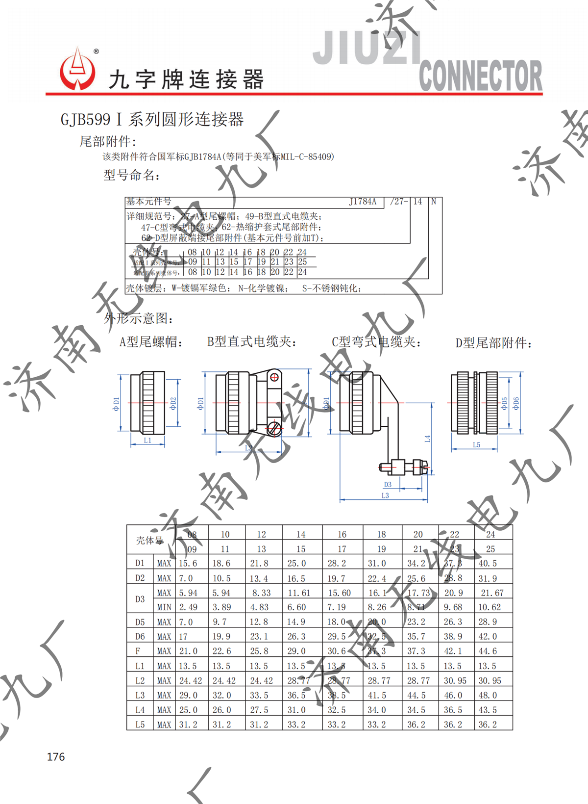
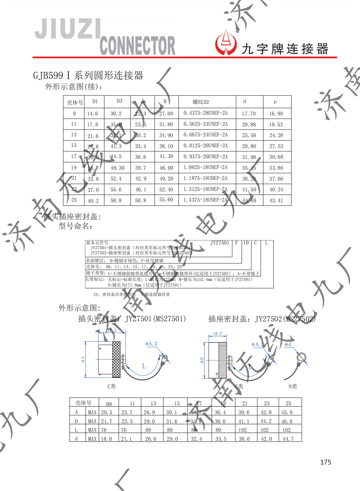
GJB599Ⅰ系列圓形連接器
產品型號:GJB599Ⅰ系列圓形連接器
產品描述:
GJB599I 系列連接器符合GJB599A標準,參照美軍標MIL-DTL-38999, 采用卡口快速連接,體積小、重量輕、接觸密 度高,防斜插,接觸件壓接,具有電磁屏蔽功能。廣泛適用于嚴酷條件下的電氣連接。
產品特點:
GJB599Ⅰ系列圓形連接器
GJB599I 系列連接器符合GJB599A標準,參照美軍標MIL-DTL-38999, 采用卡口快速連接,體積小、重量輕、接觸密 度高,防斜插,接觸件壓接,具有電...