
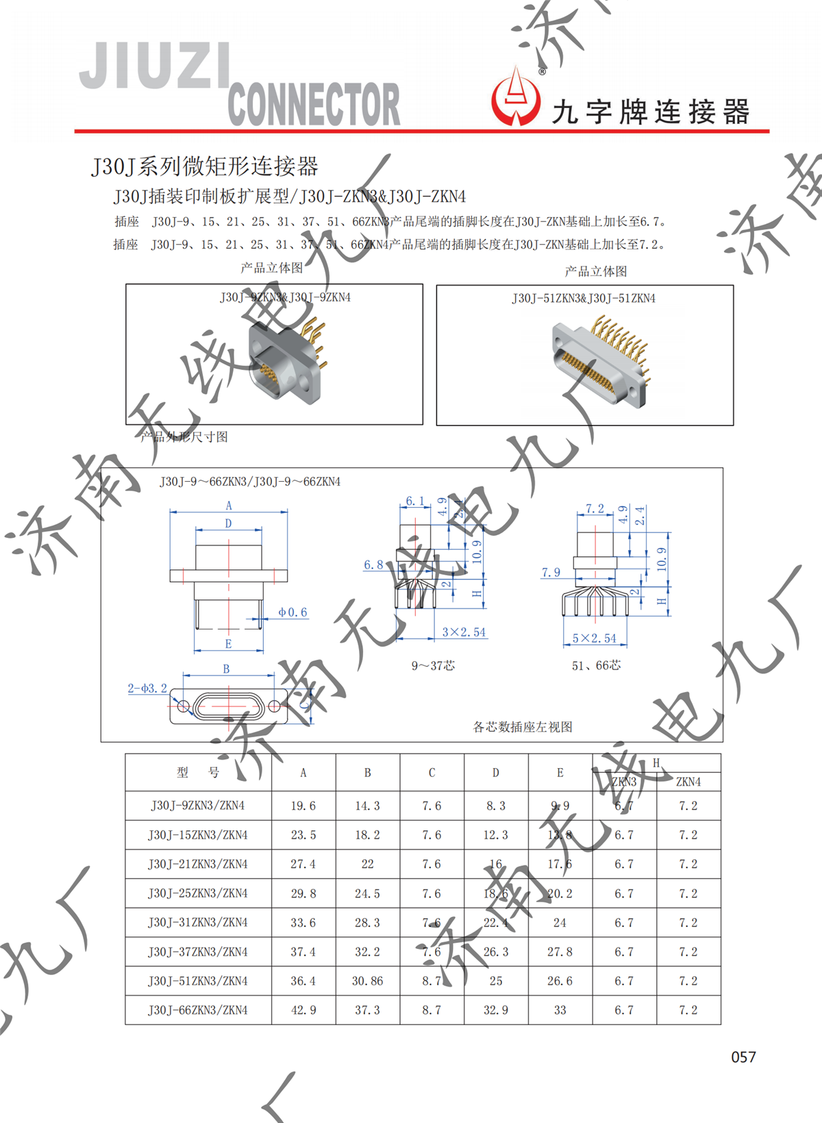
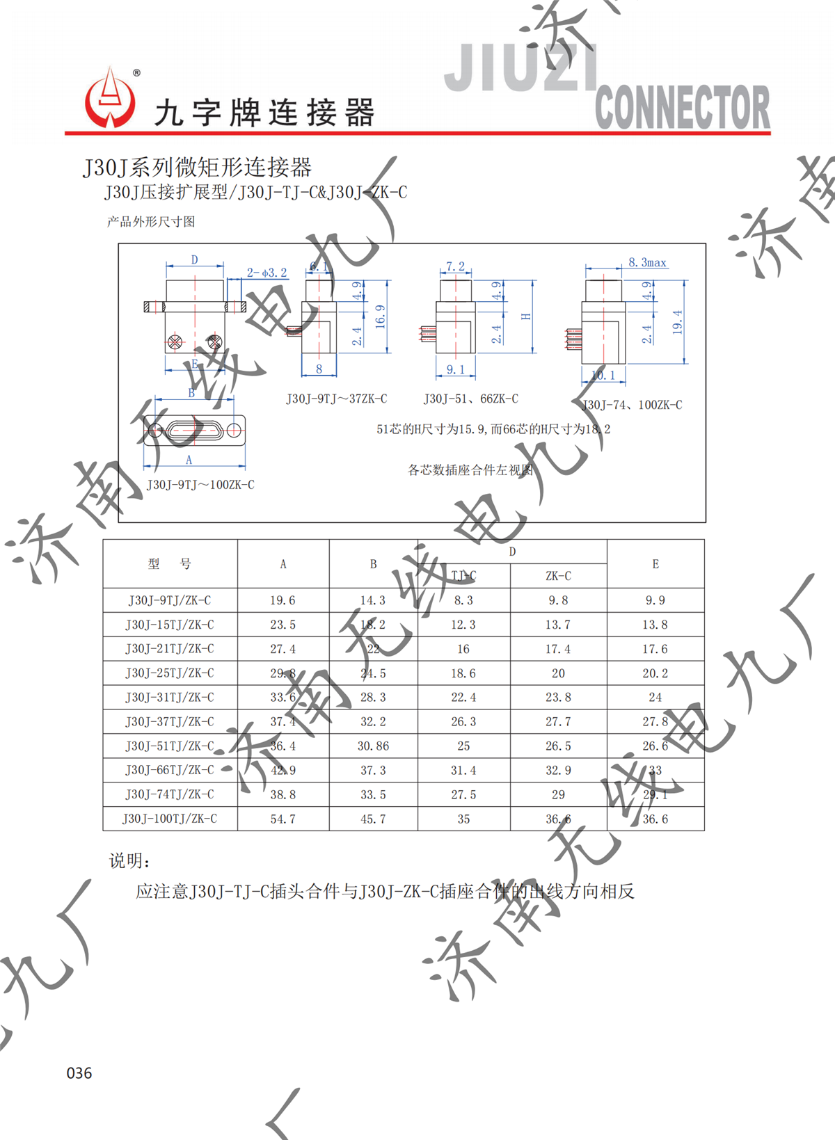
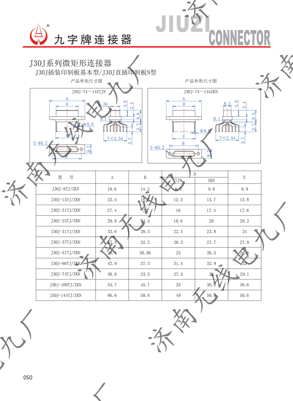
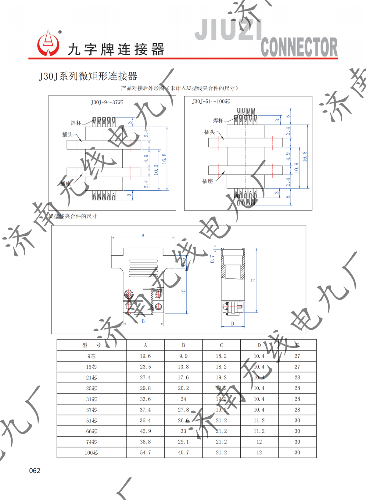
J30J系列微矩形連接器
產品型號:J30J系列微矩形連接器
產品描述:
絞線柔性插針,金屬外殼,符合GJB2446A,廣泛應用于各類軍用電子設備的電路連接,特別適用于安裝空間小,要求重量輕的場合。
產品特點:
J30J系列微矩形連接器
該連接器采用新型高可靠絞線柔性插針...
產品型號:J30J系列微矩形連接器
產品描述:
絞線柔性插針,金屬外殼,符合GJB2446A,廣泛應用于各類軍用電子設備的電路連接,特別適用于安裝空間小,要求重量輕的場合。
產品特點:
J30J系列微矩形連接器
該連接器采用新型高可靠絞線柔性插針...
Copyright ?2021 濟南無線電九廠有限公司 版權所有 ALL rights Reserved. 魯ICP備12029181號-1 技術支持:智順科技